Cart
Account
Home
BMW
Repair
BMW 7 Series (E32): 1988-94 Manual
BMW 7 Series (E32) Service Manual:
1988, 1989, 1990, 1991,
1992, 1993, 1994
by
Bentley Publishers
Price:
$199.95
Add to Cart
Main Product Page
Table of Contents
Excerpt
Index
Front Cover
Back Cover
Reviews
Technical Coverage
<< previous image
next image >>
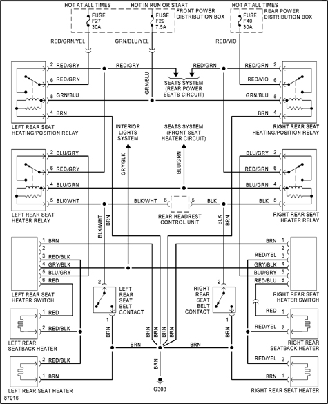
1990 750iL Rear Seat Heater Circuit
ELE Electrical Wiring Diagrams
ELE-251
<< previous image
next image >>
Browse
<< prev
BMW
next >>