Cart
Account
Home
British Cars
Repair
Cmp Off 1275cc Sprite Midget 67-74
The Complete Official 1275cc
Austin-Healey Sprite / MG Midget:
1967, 1968, 1969, 1970,
1971, 1972, 1973, 1974
by
British Leyland Motors
Price:
$110.00
Add to Cart
Main Product Page
Table of Contents
Front Cover
Back Cover
Page 228
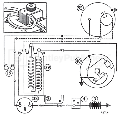
Impulse tachometer circuit.